一、常见的传感器(可选配)

1、风速传感器
2、风向传感器
3、TBQ辐射传感器
4、太阳能板
5、简易总辐传感器
6、照度传感器
7、紫外传感器
8、雨雪传感器
9、数据采集仪
10、金属防护箱
11、雨量桶
12、小百叶箱
以上传感器客户根据自己的实际情况配置,传感器具体的工作原理请详见自动气象站说明书。
二、安装示意图

准备好安装工具
1.平口和梅花螺丝刀
2.扳手,活动扳手,套筒
3.老虎钳,尖嘴钳,剥线钳
4.万用表,电烙铁
5.冲击钻
三、安装过程
3.1 三脚架安装及主杆拼接

支架主杆与上三角间固定使用支架保护套1,与下三角间固定使用支架保护套2,主杆与保护套2、下三角件采用外六角6*20或者内六角同规格螺丝固定。
具体连接处螺丝数量及安装如图1所示。
1.2米主杆和0.8米主杆拼接

3.2 横臂与支架主杆、横臂各种传感器的安装

风速风向传感器安装时,风速传感器与横臂之间加1块风速传感器垫片,风向传感器与横臂之间加1块风向传感器垫片,均采用2个平头十字3*25螺丝固定传感器、垫片与横臂,传感器未与横臂连接处采用2个平头十字3*16螺丝与垫片固定,每个平头十字螺丝上需配2个M3的螺母。选配安装照度传感器,用2个平头十字螺丝3*25,简易辐射传感器处在需要时可以安装TBQ总辐射传感器,其与横臂间需要固定TBQ辐射盘。
各传感器安装位置如图3所示。
3.3 小百叶箱(选配)的安装

3.4 大百叶箱(选配)的安装
安装大百叶箱时,需另外在百叶箱支架与大百叶箱之间安装辐射盘,使用平头十字4*15螺丝3个、φ4平垫3个、M4螺母3个固定辐射盘与百叶箱支架,再将大百叶箱安装在辐射盘上,大百叶箱与辐射盘的固定和小百叶箱与百叶箱支架的固定相同,百叶箱支架与主杆固定方式见小百叶箱的安装。注意:在将百叶箱固定在百叶箱支架上时,只需将百叶箱固定紧,不会出现晃动的情况即可,切勿用力过大,导致百叶箱顶盖破裂,影响产品的正常使用!!!
3.5 TBQ总辐射传感器(选配)的安装

安装完成后效果如图6所示。
3.6金属盒的安装(可选配)

安装位置及完成效果如图7所示。
3.7 太阳能支架(选配)的安装

太阳能支架部分为选配,安装时首先将太阳能支架主体与太阳能支架横臂固定,然后太阳能支架主体与太阳能支架肋条固定,接着太阳能支架肋条与太阳能支架横臂固定,最后太阳能支架横臂与支架主杆固定。
安装过程中太阳能支架肋条与横臂采用1个外六角8*50螺丝,2个φ8大平垫,1个φ8弹垫和一个φ8的螺母固定,其它均采用1个外六角8*50螺丝,1个φ8大平垫,1个φ8弹垫和一个φ8的螺母固定。
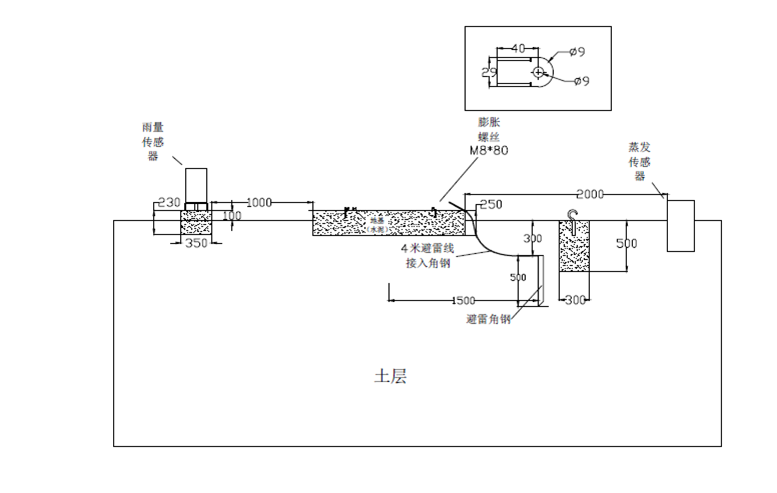
3.8 拉索、雨量传感器(可选配)

雨量筒安装在坚固的水泥地基上,采用3个膨胀螺丝M8*80固定。

3.9 照度传感器(选配)的安装

3.10 避雷针和避雷线(选配)的安装

注:请确保避雷针、避雷线、避雷角钢等各部件相连完好,否则将影响避雷效果;
3.11 采集仪接线说明

2.接好采集仪电源线,查看采集仪是否显示正常,对应的传感器显示是否正常。
3.接上串口线,连接到电脑上,用普惠自动气象站软件查看,通讯是否正常。
4.这里需要说明的是,我们的采集仪与气象电脑之间的通讯方式分为有线通讯和无线通讯。有线通讯根据通讯距离的远近可选用RS232(20米内),RS485(800米)通讯。无线通讯分为数传电台(300米)和GPRS通讯(移动通讯网络覆盖的区域)。不同的通讯方式检查通讯的方法不同,具体请参看软件操作说明。
3.12 地基和防雷设施安装(可选配)


2.支架安装完成后使用符合防雷标准的避雷线将避雷针与避雷角钢连接,尺寸如上图所示;
3.在一些沿海地带,在三脚架上还需拉上防风索,以保证其抗风能力,安装在楼顶的气象站还需做好防雷措施,安装避雷针;
4.对于220V市电的走线,要兼顾用电安全和安装地建筑外观;
5.要根据客户要求和现场具体情况布线,电线的外围都要套上PVC 管。为了保证安全,电线尽量走墙、高空。若必须走地下要PVC管必须套好防止漏水,并安装好空气开关以防止人身安全事故。
四、注意事项说明
- 安装过程中很可能有剪断电线重新连线或者焊接的情况。
(2)对于通讯线的接法,重新焊接9芯插头时,对于485通讯线,焊接芯号是1,2,5。对于232通讯线,焊接芯号是2,3,5。拆线时记好相应颜色对应的芯号,然后按原有的连线方式接好。中间连线的方法也是相同颜色的线相连。注意要用电胶布包好。最重要的一点是焊接过程不要发生短路现象,以免影响到整个采集仪的质量。
- 对于一些传感器接上去之后没有正确显示数据的情况,我们可以采用替换法和测量电压法来判断故障情况。
- 对于以上的说明有不清楚的地方请联系我们。

气溶胶颗粒物pm10pm2.5监测
气溶胶是指悬浮在空气中的细小固体或液体颗粒。名称根据颗粒大小而变化;颗粒尺寸小于10μm的气溶胶称为悬浮颗粒物(SPM),含有较大颗粒的气溶胶称为悬浮粉尘(SP)。国外标准中还有... ...

室内、工厂、建筑工地空气扬尘粉尘监测
与粉尘工作和尘肺病有关的法律,除《工业安全卫生条例》外,还包括《尘肺病法》和《尘肺病防治条例》。《尘肺病法》第二条将尘肺病界定为主要因吸入粉尘而引起肺部纤维增生性改变而引... ...

基于云的气象远程监控服务
该服务可让您轻松监控观测数据,并通过互联网自动更新到云服务器。这项服务可让您轻松地从网络上的远程位置监控观测数据。数据自动上传至云服务器,可通过互联网查看。无需特殊软件,... ...


风向和风速、温度和湿度及降雪监测系统
气象观测及图像监控系统,除了观测农田的基本气象要素(温度、湿度、风向风速、降雨量、太阳辐射、土壤湿度等)外,还可以添加图像记录来监测植物生长情况。天气数据和图像数据通过手... ...

物联网风力监测系统
如果超过预设阈值,您将通过电子邮件等方式收到通知。该系统是一个包括风向和风速计、由太阳能电池供电的低功耗通信设备和云的产品。发送到云服务器的风向和风速数据可以通过互联网... ...
室内PM2.5机柜传感器
PM2.5传感器是利用激光散射原理,对空气中存在的粉尘颗粒物进行探测,最小可以检测到1.0微米的颗粒,具有良好的一致性和稳定性。 测量参数:PM2.5浓度 单 位:g/m3 检测范围:0~100
PM2.5传感器
技术参数 测量参数:PM2.5浓度 单 位:g/m 3 检测范围:0~1000g/m 3 分 辨 率:1g/m 3 精 度:3%FS(25℃) 输出信号:A:电压信号(0~2V,0~5V,0~10V三者选一) B:4~20mA(电流环) C:RS
PM2.5,PM10 二合一传感器
技术参数 测量参数:PM2.5&PM10浓度 单 位:g/m 3 检测范围:0~1000g/m 3 分 辨 率:1g/m 3 精 度:3%FS(25℃) 输出信号:A:电压信号(0~2V,0~5V,0~10V三者选一) B:4~20mA(电流环)
PM1.0传感器
技术参数 测量参数:PM1.0浓度 单 位:g/m 3 检测范围:0~1000 g/m 3 分 辨 率:1g/m 3 精 度:3%FS(25℃) 输出信号:A:电压信号(0~2V,0~5V,0~10V三者选一) B:4~20mA(电流环) C:R
排插式LoRa转4G智能网关
无线远程压力采集终端
LoRaWAN无线远程液位传感器
无线智能消防栓水压监测
GNSS地质灾害监测站
一体化倾斜伏倒检测仪
地表裂缝监测仪
无线4g倾斜传感器(内置电池)
卫星物联网传输数据采集主机
智能水位控制器
智能主机环境数据4G采集仪
S-CGC5低功耗温湿度监控
4G喷灌滴灌流量计
土壤热流计热通量传感器
有线波载64路阀门集中控制器
S-PSVF 电池供电4G无线阀门控制
水位地灾拍照雷达一体化水位
水中硼线上自动分析仪
水中镍线上分析仪传感器
水质铬自动分析仪传感器
美丽乡村水质物联网平台
智能井盖管理软件平台
S-DZJC监测与预警服务平台
负氧离子LED显示发布系统
在线式智能一级声级计噪声监
噪音扬尘监测系统
太阳能供电电流电压远程监控
超声波风速风向,温湿度,噪声






