产品简介
S-GWSP一体化风速风向传感器是由风速传感器和风向传感器组成,风速传感器采用传统三风杯风速传感器结构,风杯选用碳纤维材料,强度高,启动好;杯体内置信号处理单元能根据用户需求输出相应风速信号,风向传感器内部采用精密电位器,并选用低惯性轻金属风向标响应风向,动态特性好。该产品具有量程大、线性好、抗雷击能力强、观测方便、稳定可靠等优点,可广泛用于气象、海洋、环境、机场、港口、实验室、工农业及交通等领域。

技术参数
风速传感器:
测量范围:0~45m/s
0~70m/s
准 确 度:±(0.3+0.03V)m/s (V:风速)
分 辨 率:0.1m/s
启动风速:≤0.8m/s
供电方式:DC 5V
DC 12V
DC 24V
其他
输出形式:电流:4~20mA
电压:0~5V
电压:0~2.5V
RS485
其他
负载能力:电流型输出阻抗≤600Ω
电压型输出阻抗≥1KΩ
工作环境:温度-40℃~50℃
湿度≤100%RH
防护等级:IP45
线缆等级:额定电压:300V 温度等级:80℃
产品重量:130 g
产品功耗:50 mW
风向传感器:
测量范围:0~360°
分 辨 率:1°
准 确 度:±3°
启动风速:≤0.5m/s
供电方式:DC 5V
DC 12V
DC 24V
其他
输出形式:电流:4~20mA
电压:0~5V
RS485
其他
负载能力:电流型输出阻抗≤250Ω
电压型输出阻抗≥1KΩ
工作环境:温度-40℃~50℃
湿度≤100%RH
防护等级:IP45
线缆等级:额定电压:300V 温度等级:80℃
产品重量:210 g
产品功耗:5.5 mW
计算公式
风速传感器:
电流型(4~20mA):
W = (I-4)×L/16(W:风速示值(m/s);I:电流信号(4-20mA);L:风速测量范围(m/s))
电压型( 0~5V):
W =V/5×L(W:风速示值(m/s);V:电压信号(0-5V;L:风速测量范围(m/s))
电压型(0-2.5V):
W =V/2.5×L(W:风速示值(m/s);V:电压信号(0-2.5V);L:风速测量范围(m/s))
风向传感器:
电压型(0~5V输出):
D=360°×V / 5(D为风向示值,V为输出电压(V))
电流型(4~20mA输出):
D=360°×( I-4 ) / 16(D为风向示值,I为输出电流(mA))
结构尺寸

接线方法
1、若配备本公司生产的采集器,直接使用传感器线将传感器与采集器上的相应接口相连即可。
2、若单独购买变送器,变送器配套线缆线序分别为:
|
线颜色 |
输出信号 |
||
|
电压型 |
电流型 |
通讯型 |
|
|
红色 |
电源正 |
电源正 |
电源正 |
|
黑(绿)色 |
电源地 |
电源地 |
电源地 |
|
黄色 |
风速信号 |
风速信号 |
A+/TX |
|
蓝色 |
风向信号 |
风向信号 |
B-/RX |
MODBUS-RTU通讯协议
一、串口格式
数据位 8位
停止位 1或2位
校验位 无
波特率 9600 两次通信间隔至少1000ms以上
二、通讯格式
【1】写入设备地址
发送: 00 10 Adress CRC (5个字节)
返回: 00 10 CRC (4个字节)
说明: 1.读写地址命令的地址位必须是00。
2. Adress为1个字节,范围为0-255.
例如:发送00 10 01 BD C0
返回00 10 00 7C
【2】读取设备地址
发送: 00 20 CRC (4个字节)
返回: 00 20 Adress CRC (5个字节)
说明: Adress为1个字节,范围为0-255
例如: 发送 00 20 00 68
返回 00 20 01 A9 C0
【3】读取实时数据
发送:Adress 03 00 00 00 02 XX XX
说明:如下图所示:
|
代码 |
功能定义 |
备注 |
|
Adress |
站号(地址) |
|
|
03 |
功能码 |
|
|
00 00 |
起始地址 |
|
|
00 02 |
读取点数 |
|
|
XX XX |
CRC校验码,前低后高 |
返回:Adress 03 04 XX XX YY YY XX XX
说明:
|
代码 |
功能定义 |
备注 |
|
Adress |
站号(地址) |
|
|
03 |
功能码 |
|
|
04 |
读单元字节 |
|
|
XX XX |
风速数据(前高后低) |
十六进制 |
|
YY YY |
风向数据(前高后低) |
十六进制 |
|
XX XX |
CRC校验码 |
风速,分辨率0.1m/s,风向,分辨率1°
计算CRC码的步骤:
1、预置16位寄存器为十六进制FFFF(即全为1)。称此寄存器为CRC寄存器;
2、把第一个8位数据与16位CRC寄存器的低位相异或,把结果放于CRC寄存器;
3、把寄存器的内容右移一位(朝低位),用0填补最高位,检查最低位;
4、如果最低位为0:重复第3步(再次移位)
如果最低位为1:CRC寄存器与多项式A001(1010 0000 0000 0001)进行异或;
5、重复步骤3和4,直到右移8次,这样整个8位数据全部进行了处理;
6、重复步骤2到步骤5,进行下一步8位数据的处理;
7、最后得到的CRC寄存器即为CRC码;
8、将CRC结果放入信息帧时,将高低位交换,低位在前。
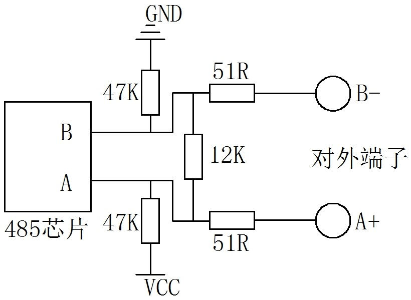
RS485电路

使用安装
安装传感器时,请保证风向传感器在上,风速传感器在下,且保证传感器与地面垂直方向安装,风向传感器上有一白色定南点,使用前,请参照随产品附带的指南针,将风向指南方向与地理南方保持一致。
注意事项
1、请检查包装是否完好,并核对产品型号是否与选型一致;
2、切勿带电接线,接线完毕检查无误后方可通电;
3、使用时不要随意改动产品出厂时已焊接好的元器件或导线;
4、传感器属于精密器件,用户在使用时请不要自行拆卸、用尖锐物品或腐蚀性液体接触传感器表面,以免损坏产品;
5、请保存好检定证书和合格证,维修时随同产品一同返回。
故障排除
1、风向标旋转不灵,迟滞大。可能因长期使用导致轴承内有异物或润滑油用完。请将仪表油从传感器的上轴承处注入或将传感器寄回公司注油;
2、模拟输出时,显示仪表示值为0或不在量程以内。可能因接线问题导致采集器无法正确获取信息。请检查接线是否正确、牢固;
3、若不是上述原因,请与厂家联系。
选型表
| 编号 |
供电 方式 |
输出 信号 |
说明 |
| S-GWSP- | 一体化风速风向传感器(变送器) | ||
| 5V- | 5V供电 | ||
| 12V- | 12V供电 | ||
| 24V- | 24V供电 | ||
| V | 0-5V | ||
| V2 | 0-2.5V | ||
| A1 | 4-20mA | ||
| W2 | RS485 | ||
| 例:S-GWSP-24V-W2:风速风向传感器(变送器)24V供电,RS485输出 | |||
联系我们
厦门欣仰邦科技有限公司
全国统一服务热线: 0592-3564822
销售客服:0592-3564822 17850532774
售后服务:0592-3564822
传 真:0592-3564822
邮编:361000
网址:Https://www.xmsiyb.com
地址:厦门市海沧区沧虹路219号
S-SCCFSX-A/B一体风速风向传感器
产品简介 本仪器采用先进可靠的集成电路,设计完成内部信号测量部分,具有操作简单,使用方便的特点,用于实现对环境风速风向的测量。本设备有2种信号输出模式(2选1,不能同时输
S-USTP超声波一体化传感器
产品简介 S-USTP超声波一体化传感器是一款全数字化检测,高精度传感器,是由超声波风速风向传感器、高精度数字温度、湿度、气压集成,可准确、快速检测出风速、风向、大气温度、
S-GWIN风速传感器变送器
S-GWIN风速传感器(变送器)采用传统三风杯风速传感器结构,风杯选用碳纤维材料,强度高,启动好;杯体内置信号处理单元能根据用户需求输出相应风速信号,可广泛用于气象、海
S-GUSD超声波风速风向传感器
S-GUSD超声波风速风向传感器是一款全数字化检测,高精度传感器,是由超声波风速风向传感器集成,可准确、快速检测出风速、风向,内置信号处理单元能根据用户需求输出相应信号
排插式LoRa转4G智能网关
无线远程压力采集终端
LoRaWAN无线远程液位传感器
无线智能消防栓水压监测
GNSS地质灾害监测站
一体化倾斜伏倒检测仪
地表裂缝监测仪
无线4g倾斜传感器(内置电池)
卫星物联网传输数据采集主机
智能水位控制器
智能主机环境数据4G采集仪
S-CGC5低功耗温湿度监控
4G喷灌滴灌流量计
土壤热流计热通量传感器
有线波载64路阀门集中控制器
S-PSVF 电池供电4G无线阀门控制
水位地灾拍照雷达一体化水位
水中硼线上自动分析仪
水中镍线上分析仪传感器
水质铬自动分析仪传感器
美丽乡村水质物联网平台
智能井盖管理软件平台
S-DZJC监测与预警服务平台
负氧离子LED显示发布系统
在线式智能一级声级计噪声监
噪音扬尘监测系统
太阳能供电电流电压远程监控
超声波风速风向,温湿度,噪声






